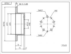
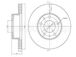
Dvoudílné kompozitní brzdové kotouče
Dvoudílné brzdové kotouče Textar se skládají z náboje brzdového kotouče a třecího kroužku z šedé litiny s vysokým podílem uhlíku, které jsou vzájemně spojeny nýty. U náboje brzdového kotouče lze díky použití hliníku ušetřit 15–20 % podílu hmotnosti, čímž se sníží takzvaná neodpružená hmota brzdového systému. Kompozitní brzdové kotouče se sníženou hmotností mají kromě zlepšení jízdních vlastností přínos i pro snižování emisí. [Viac tu]










































































































